Salvaing
Full Member
- Joined
- May 8, 2016
- Messages
- 66
- Reaction score
- 3
- Points
- 8
- Buick Ownership
- Buick
Hi
I live in France (no GM dealer) and own a 40K mile '03 RendezVous.
The problem :
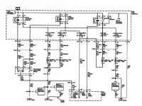
DRL does'nt work and headlight + Inst Clst + rearlight are always ON.
I change ambiant light sensor, relay, fuse. No change.
I own the GM Tech 2 scanner and I got the DTC B3857.
DTC B3857 Circuit Description
The body control module (BCM) monitors the high beam headlamp signal circuit by verifying the high beam input.
DTC Descriptor
This diagnostic procedure supports the following DTC:
DTC B3857 Headlamp High Beam Signal Circuit
There is no short or something wrong with high beam, works fine.
I think the BCM is toasted.
My question :
Before change and reprograming the BCM do you think there a procedure to diseable DRL ?
I try this one .. but Mexico is not a listed option.
http://blog.obd365.com/2014/12/24/how-to-disable-drls-with-gm-tech2-scanner/
Best Regards.
I live in France (no GM dealer) and own a 40K mile '03 RendezVous.
The problem :
DRL does'nt work and headlight + Inst Clst + rearlight are always ON.
I change ambiant light sensor, relay, fuse. No change.
I own the GM Tech 2 scanner and I got the DTC B3857.
DTC B3857 Circuit Description
The body control module (BCM) monitors the high beam headlamp signal circuit by verifying the high beam input.
DTC Descriptor
This diagnostic procedure supports the following DTC:
DTC B3857 Headlamp High Beam Signal Circuit
There is no short or something wrong with high beam, works fine.
I think the BCM is toasted.
My question :
Before change and reprograming the BCM do you think there a procedure to diseable DRL ?
I try this one .. but Mexico is not a listed option.
http://blog.obd365.com/2014/12/24/how-to-disable-drls-with-gm-tech2-scanner/
Best Regards.


