spellman1989
New member
- Joined
- Mar 14, 2020
- Messages
- 21
- Reaction score
- 1
- Points
- 3
- Buick Ownership
- 2007 Lucerne CXL
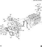
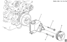
Ok so my car has started overheating well I noticed my water pump pulley was wobbly. So I am going to replace the entire water pump. My question is I see in all of the videos on youtube people are removing the power steering pump. My question is removing it a necessary step or does that just provide extra space to work? I only went to youtube because I can't find a repair manual for this car at any of the auto parts stores. Any help is greatly appreciated. TYIA




