2007LucerneCXL
Full Member
- Joined
- Jun 19, 2015
- Messages
- 12,862
- Reaction score
- 4,805
- Points
- 113
- Location
- Illinois
- Buick Ownership
- 2007 Lucerne CXL. and 1995 Lesabre currently, past 1973 Riviera, 1968 Riviera
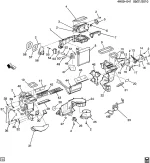
A full system flush is probably a good choice if it's never been done or previous history on maintenance is unknown. Here's some diagrams on the system which may help. On the heater core it's #44 and there are older post on R&R but from what I remember on the post the entire dashboard needs to be disassembled so it's something that should be confirmed.







